Copper electrical feedthroughs convey low-voltage electrical power into high-vacuum environments. These rugged copper power feedthroughs are UHV rated and bakeable to 450° C.
Features Include:
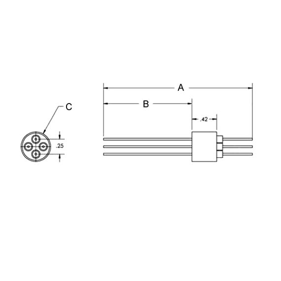
- Common Dimensions: A = 2.5", B = 1.5", C = 0.497"
Feedthrough Diameter: 0.497"
Material: Stainless Steel, Copper
Feedthroughs (or vacuum feedthroughs) come in many forms to transfer electrical currents, signals, fluids, gases or mechanical movements from outside the vacuum (air side) to the inside (vacuum side) of a vacuum chamber to equipment within the chamber. The entry point for the feedthrough must be vacuum-sealed via a suitable through hole. The feedthrough can be weldable (weld-on) or connected with a CF, KF or ISO vacuum flange to the vacuum chamber.
CF Conflat flanges are normally for processes requiring ultra high vacuum pressures, down to 10-12 Torr, and are vacuum sealed via nuts and bolts with copper gaskets. They come in sizes from 1.33 in. (mini conflat), 2.75, 4.5, 6, 8, 10, 12, 13.25, 14 and 16.5. inch O.D. Outer Diameter.
KF or Quick Flange are for high vacuum pressures down to 10-9 Torr and are vacuum sealed via clamps and elastomer O-Rings. They come in KF10, KF16, KF25, KF40 and KF50 sizes.
ISO or Large Flange are for high vacuum pressures down to 10-6 Torr and are vacuum sealed via nuts and bolts (for flanges with bolt holes) or with claw clamps (for flanges with smooth faces and no bolt holes). They use Elastomer O-Rings for vacuum seals. They come in sizes from 63mm, 80, 100, 160, 200, 250, 320, 400, 500, and 630mm sizes. All flanges are made of corrosive resistant stainless steel.
There are 1000's of feedthroughs and selection can be very difficult for your specific vacuum process. If you have any doubts about your requirements please contact our on staff engineers to help you find the proper feedthroughs for your vacuum process. We specialize in out of the ordinary customized feedthroughs, vacuum chambers and accessories. Please call us at 505-872-0037.
TYPES of FEEDTHROUGHS
POWER:
Power feedthroughs are a type of electrical feedthrough that transmits electricity from atmosphere (outside) to vacuum (inside). Power Feedthroughs have one or more conductors entering the vacuum device chamber walls. The conductors are sealed to an electrical insulator that are either welded to or connected via a vacuum flange or baseplate. Conductor metal comes in wire, rod or tubes. Conductor material is based on current, corrosion resistance and magnetism. Things to consider for selection are operating voltage, maximum current, base pressures and the working environment. Never under specify voltage or current, this may cause arcing, melting or insulator break down. When selection is in doubt, please call us.
THERMOCOUPLE:
A Thermocouple Feedthrough is a robust and cost-effective temperature sensor used in a wide range of temperature measurement processes. When two wires composed of dissimilar metals are joined at both ends and one of the ends is heated, there is a continuous current which flows in the thermoelectric circuit. If this circuit is broken at the center, the net open circuit voltage (the Seebeck voltage) is a function of the junction temperature and the composition of the two metals. Which means that when the junction of the two metals is heated, or cooled, a voltage is produced that can be correlated back to the temperature. When properly configured, thermocouples can provide measurements over a wide range of temperatures.
They can contain one or more pairs of wires and have molded plugs, push ons, split connectors and could have lugs or screw connectors on the inside (vacuum) or outside (atmosphere). Things to consider are temperature range, number of temperature locations, sheath material, wire diameter, metal type, and power conductors within the same feedthrough. There are many types of thermocouple feedthroughs made with many different metals having different temperature ranges. When selection is in doubt, please call us.
INSTRUMENTATION:
Instrumentation Feedthroughs also known as multipin feedthroughs transfer electrical signals and/or low power applications across the vacuum wall. They are used in instrumentation applications such as electron microscopy, surface analysis and semiconductor process controls. They can be made up of electrical connectors with pins or coaxial on either side of the vacuum wall, inside (vacuum) or outside (atmosphere). Things to consider before selection are maximum voltage cable to shield, maximum voltage shield to ground, signal voltage, grounding, impedance, temp range, number of connections, type connectors etc. It is very important when ordering to make sure you have the right connectors supplied or not supplied with the order. Many types of instrumentation connection feedthroughs, when in doubt please call us.
LIQUID or GAS:
Liquid or Gas Feedthroughs delivers a gas or liquid to a vacuum mounted device or chamber. This gas or liquid could maintain a certain temperature within the evacuated chamber. They can be ordered in CF or KF flanges or baseplate ports that have one or multiple tubes welded to through-holes, with tube extending out on both sides of the flange/baseport. The tubes have various diameters and are often terminated with a small flange or gas fitting. Things to consider are flanges that match unused flanges on walls of device, number of feedthroughs, tube diameter, feedthrough entry port sizes and terminations that match both side components. When in doubt please call us.
ROTARY MOTION:
Rotary Motion Feedthroughs are air-side shafts that rotate a vacuum-side shaft. Several types of rotary drives exist, differentiated by actuator mechanism, vacuum sealing, compatible pressure range, and application. Two types are Elastomer sealed that use back to back double O-rings for sealing and Ferro-Sealed using ferrofluid O-Ring technology for higher RPM and high torque capacity. Feedthroughs can provide repeatable movement or coarse positioning and may provide rotary motion, linear motion or a combination of both. A number of actuation designs are available, from manual turn, to pneumatic, to electrical motorized. When in doubt please call us.
ACCESSORIES:
Feedthroughs may require extra hardware to make the required connections. We carry cabling, electrical/coax connectors, and pins for inside and outside your vacuum chamber. Not sure of which accessory to purchase, please call us.
CUSTOM FEEDTHROUGHS:
Selecting the right feedthrough for your vacuum process can be a very difficult task. We can help you make that choice. We also specialize in designing and manufacturing that unique feedthrough for your particular vacuum process. Whether selection help or manufacturing a new feedthrough, let our technicians/engineers use their know how to expedite your vacuum process objectives. Call us today at 505-872-0037.
No reviews found




